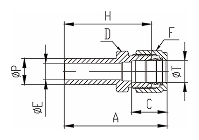
| T (TUBE OD) | 3 | 4 | 6 | 8 | 10 | 12 | 14 | 15 | 16 | 18 |
| P(inch) | 1/8″ | 1/8″ | 1/4″ | 1/4″ | 1/4″ | 3/8″ | 3/8″ | 1/2″ | 1/2″ | 1/2″ |
| A | 29.7 | 30.7 | 37.6 | 38.7 | 40.9 | 43.4 | 44.1 | 49 | 49 | 50.5 |
| C | 12.9 | 13.7 | 15.3 | 16.2 | 17.2 | 22.8 | 24.4 | 24.4 | 24.4 | 24.4 |
| D | 12 | 12 | 14 | 22 | 18 | 22 | 24 | 24 | 24 | 27 |
| E | 2.4 | 2.4 | 4.8 | 6.4 | 7.1 | 9.5 | 10.3 | 11.9 | 12.7 | 13.5 |
| F | 12 | 12 | 14 | 16 | 19 | 22 | 25 | 25 | 25 | 30 |
| G | 9.7 | 9.7 | 14.2 | 14.2 | 14.2 | 14.2 | 14.2 | 19 | 19 | 19 |
| H | 23.1 | 24.1 | 30.2 | 31.2 | 33.3 | 33.3 | 34 | 38.9 | 38.9 | 40.4 |
| Material | 304 S.S | 304 S.S | 304 S.S | 304 S.S | 304 S.S | 304 S.S | 304 S.S | 304 S.S | 304 S.S | 304 S.S |
| Parts No | DA0151 | DA0152 | DA0153 | DA0154 | DA0155 | DA0156 | DA0157 | DA0158 | DA0159 | DA0160 |
Copyright © 2020 杭州道田真空设备有限公司All Rights Reserved
设计制作:飞速网络科技