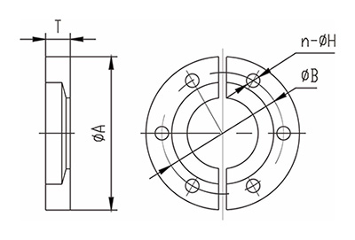
| Model No | NW10/16 | NW25 | NW40 | NW50 | NW50 | NW63 | NW63 |
| A | 50.8 | 60.5 | 74.6 | 95.2 | 95.2 | 107.2 | 107.2 |
| B | 38.1 | 48 | 62 | 82.6 | 82.6 | 94.6 | 94.6 |
| T | 9.2 | 9.8 | 9.3 | 10.3 | 10.3 | 10.3 | 10.3 |
| n-φH | 6-φ4.3 | 6-φ5.3 | 6-φ5.3 | 6-φ5.3 | 8-φ5.3 | 6-φ5.3 | 8-φ5.3 |
| Material | Aluminum | Aluminum | Aluminum | Aluminum | Aluminum | Aluminum | Aluminum |
| Parts No | DK0086 | DK0087 | DK0088 | DK0089 | DK0090 | DK0091 | DK0092 |
Copyright © 2020 杭州道田真空设备有限公司All Rights Reserved
设计制作:飞速网络科技