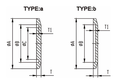
| Model No | NW10 | NW16 | NW25 | NW40 | ||||
| TYPE | a | b | a | b | a | b | a | b |
| A | 30 | 30 | 30 | 30 | 40 | 40 | 55 | 55 |
| B | 12.2 | 12.2 | 17.2 | 17.2 | 26.2 | 26.2 | 41.2 | 41.2 |
| C | 6 | -- | 11 | -- | 20 | -- | 35 | -- |
| T | 5 | 5 | 5 | 5 | 5 | 5 | 5 | 5 |
| T1 | 2.5 | 2.5 | 2.5 | 2.5 | 2.5 | 2.5 | 2.5 | 2.5 |
| Material | 304 S.S | 304 S.S | 304 S.S | 304 S.S | 304 S.S | 304 S.S | 304 S.S | 304 S.S |
| Parts No | DK0033 | DK0034 | DK0035 | DK0036 | DK0037 | DK0038 | DK0039 | DK0040 |
| Model No | NW50 | NW63 | NW80 | NW100 | NW125 | NW160 | NW200 | |
| TYPE | a | b | a | a | a | a | a | a |
| A | 75 | 75 | 87 | 114 | 134 | 161 | 190 | 252 |
| B | 52.2 | 52.2 | 70.2 | 83 | 102 | 127 | 153 | 213 |
| C | 46 | -- | 64 | 73 | 92 | 117 | 143 | 203 |
| T | 5 | 5 | 5 | 11 | 11 | 11 | 11 | 11 |
| T1 | 2.5 | 2.5 | 2.5 | 6.5 | 6.5 | 6.5 | 6.5 | 6.5 |
| Material | 304S.S | 304S.S | 304 S.S | 304 S.S | 304 S.S | 304 S.S | 304 S.S | 304 S.S |
| Parts No | DK0041 | DK0042 | DK0043 | DK0044 | DK0045 | DK0046 | DK0047 | DK0048 |
Copyright © 2020 杭州道田真空设备有限公司All Rights Reserved
设计制作:飞速网络科技